![]() |
空气过滤器|高效过滤器专题 佰伦空气过滤器已荣获多项国家专利! |
服务热线:181-0266-3890 |
高效纤维过滤器操作使用说明书
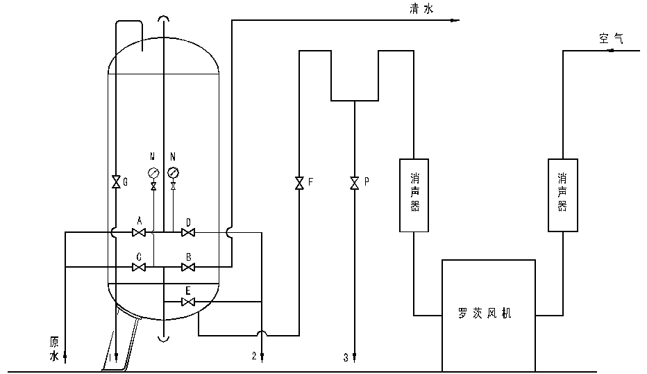
高效纤维过滤器系统参见示意图:

高效过滤器系统示意图
设备的管口阀门用途及操作件见下表:
|
符号 |
A |
B |
C |
D |
E |
F |
G |
M |
N |
P |
|
管 口 用 途 |
原 水 入 口 阀 门 |
清 水 入 口 阀 门 |
清 洗 入 口 阀 门 |
反洗水 出 口 阀 门 |
排 空 口 阀 门 |
空 气 入 口 阀 门 |
排 气 阀 门 |
清 水 出 口 压 力 表 |
原 水 入 口 压 力 表 |
风 机 排 空 阀 |
1.准备工作
a.设备运行前应检查各阀门及配套设备是否能正常工作。
b.检查风机等电器元件的接线是否正确,匹配。
2.滤床充水放松
a.打开排气阀G;
b.打开清洗出口阀D?;郝蚩逑此肟诜臗,阀门开度不得超过15%,使水充满滤床;
c.继续缓慢开启清洗水入口阀门C,开度每增加10%时,都必须观察2~3分钟,当确定调节装置没有卡阻现象并缓慢匀速提升时,再逐渐加大阀门的开度使调节装置提升到上限。
3.滤床清洗
a.打开空气入口阀F,向滤床内送入空气。
b.调节过滤器清洗水入、出口阀门C、D的开度,使清洗流速至30m/h、压力0.05MPa左右,使滤床在清洗过程中总保持满水状态(以排气阀有微量出水为标准)。过滤器清洗用空气的流量、压力如下。
直径为φ2500时,压力为49Kpa时,空气流量为11.8~17.7m3/min,(具体可参考:http://nanpi.mhyftah.cn/)
注意:
◎开风机前应先打开风机排空P阀再启动风机,风机正常运行后打开高效过滤器空气入口阀F,再逐渐关闭排空P阀。
◎清洗流速应控制在30m/h左右,流速太大会浪费清洗水。
◎空气过滤器清洗操作规程,入、出口压力应保持在0.05MPa左右,压力过大或清洗水流太急,会造成罗茨风机的电机运行电流过大而烧毁电机。
4.排气
清洗结束前,打开风机排空阀(P阀),先关闭空气入口阀门和风机,继续清洗3~5分钟,将过滤器内残留的空气排出后,上向洗结束。
注意:下列情况会影响过滤出水水质
◎过滤器滤床清洗后内部残留空气;
◎设备运行时进水带气;
◎空气入口阀门关闭不严。
5.成床
a.滤层清洗结束后,关闭清洗水入口阀门C、反洗排水阀门D和排气水阀门G。
b.打开排空口阀门E。缓慢打开原水进口阀门A,当确定调节装置没有卡阻现象并缓慢匀速下降时,再逐渐加大阀门的开度使滤层堆积至限定位置。

6.预投运
设备在成床状态下,调整原水入口阀门A和排空口阀门E的开度,使水的流速适当(一般流速为30m/h),取样化验予投运出水水质,当出水水质达到使用要求时,即可投入运行。
7.投运
原水入口阀门A保持开启状态,打开清水出口阀门B并关闭排空口阀门E,向系统送水。
设备投运后,滤速一般控制在30m/h。这时设备入、出口初始压差一般为0.02~0.04MPa。运行时应定期监测入、出口压差。入、出口压力差一般不得超过0.2MPa。
注意:清洗水入口阀门必须关闭严,否则会影响出水水质。
8.滤床失效、滤层放松
设备运行一段时间后,出水水质逐渐恶化至不能达到用水标准时,滤床即进入失效状态。滤床失效时设备的入、出口压差约为0.1~0.2MPa(即使出水水质合格,但压差已达到0.02MPa时也必须进行清洗)。
滤床失效后,即应停止运行,进行滤层放松。滤床充水放松见第2条。
9.滤床的清洗见第3条。
注:a、高效纤维过滤器手动操作顺序见附表1。
b、高效空气过滤器清洗用气源配罗茨风机性能参数见附表2(供参考)。
10.维护和注意事项
a、纤维滤料性能和更换周期
高效纤维过滤器所选用的滤料是一种高分子化学纤维材料,这种材料耐热温度为106~127℃,并对各种碱及非氧化性酸有很强的耐腐蚀性,连续使用寿命不少于10年,运行失效后,可用水和空气擦洗的物理方法再生。
b、注意事项
a.可能造成出水水质不良的原因:
⑴. 滤床失效
⑵. 清洗不彻底
⑶. 进水带气
⑷. 混凝剂用量不当
⑸. 过滤流速波动太大
⑹. 清洗水入口阀门关闭不严
⑺. 取样化验不准确
b.需要特殊清洗的情况:
设备在使用过程中,如发现纤维上有大量微生物繁殖或吸附大量的油污时,需特殊清洗,可用2%NaOH溶液将滤料浸泡24小时后,再进行清洗。
附表1 高效纤维过滤器手动操作顺序表
|
操作步骤
阀门状态 阀 门 |
↓ ↑ 清 排 滤 预 运 滤 滤 → → 床 → 投 → → 层 → 层 形 运 失 放 洗 气 成 行 效 松 |
|
A 原水入口阀门 B 清水出口阀门 C 清洗水入口阀门 D清洗水出口阀门 E 排空口阀门 F清洗空气入口阀门 G 排气水口阀门 |
× × ○ ○ ○ × × × × × × ○ × × ○ ○ × × × × ○ ○ ○ × × × × ○ × × ○ ○ × × × ○ × × × × × × ○ ○ × × × × ○ |
注:○为阀门开启 ×为阀门关闭。
| 上一篇:公司介绍 | 下一篇:高效过滤器DOP检漏法在制药企业中的应用... |